Sign In | Join Free | My spintoband.com
China Shenzhen Hongxinwei Technology Co., Ltd logo
Shenzhen Hongxinwei Technology Co., Ltd
Shenzhen Hongxinwei Technology Co., Ltd To adopt new technology,to produce products of quality,to offer high-class service.
Site Member

7 Years

Home > IGBT Driver >

MP4026GJ-Z 1.25W 3mA LED Lighting Drivers Monolithic Power Systems

Shenzhen Hongxinwei Technology Co., Ltd
Contact Now

MP4026GJ-Z 1.25W 3mA LED Lighting Drivers Monolithic Power Systems

  • 1
  • 2

Brand Name : Monolithic Power Systems

Model Number : MP4026GJ-Z

Certification : ROHS

Place of Origin : TAIWAN

MOQ : 10PCS

Price : Negotiable

Payment Terms : T/T, Western Union

Supply Ability : 12000PCS/WEEK

Delivery Time : 2-3DAYS

Packaging Details : 3000PCS/REEL

Input Voltage : 265 V

Supply Current - Max : 3mA

Maximum Operating Temperature : + 125 C

Product : LED Drivers

Type : Off Line LED Driver

Pd - Power Dissipation : 1.25W

Factory Pack Quantity : 3000

Contact Now

MP4026GJ-Z IGBT Driver LED Lighting Drivers Monolithic Power Systems

1.DESCRIPTION
The MP4026 is a primary-side-control, offline LED controller that achieves high-power factor and accurate LED current for isolated, single-power-stage lighting applications in a tiny TSOT23-6 package. It is the next generation of the successful MP4021A. The proprietary real-current-control method accurately controls LED current from primary-side information with good line and load regulation. The primary-side-control eliminates the secondary-side feedback components and the opto-coupler to significantly simplify LED-lighting-system design. The MP4026 integrates power-factor correction and works in valley switching mode to reduce MOSFET switching losses. The MP4026’s multiple protection features greatly enhance system reliability and safety. These features include over-voltage protection, short-circuit protection, primary-side over-current protection, brown out protection, cycle-by-cycle current limiting, VCC under-voltage lockout, and auto-restart over-temperature protection

2FEATURES
• Real-Current Control without Secondary-Feedback Circuit
• Good Line/Load Regulation
• High Power Factor (≥0.9) over Universal Input Voltage
• Valley Switching Mode for Improved Efficiency
• Brown-Out Protection
• Over-Voltage Protection
• Short-Circuit Protection
• Over-Temperature Protection
• Primary-Side Over-Current Protection
• Cycle-by-Cycle Current Limit
• Input UVLO
• Available in TSOT23-6

3.APPLICATIONS
• Industrial and Commercial Lighting
• Residential Lighting

4.TYPICAL APPLICATION CIRCUIT

MP4026GJ-Z 1.25W 3mA LED Lighting Drivers Monolithic Power Systems

5.PACKAGE REFERENCE

MP4026GJ-Z 1.25W 3mA LED Lighting Drivers Monolithic Power Systems

6.PIN FUNCTIONS

MP4026GJ-Z 1.25W 3mA LED Lighting Drivers Monolithic Power Systems

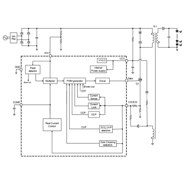
7.FUNCTION DIAGRAM

MP4026GJ-Z 1.25W 3mA LED Lighting Drivers Monolithic Power Systems

8.Why choose us?

100% new and originao with Advantage price
High efficiency
Fast Delivery
Professional team service
10 Years Experience Electronic components
Electronic components Agent
Advantage logistic discount
Excellent After-sales Service


Product Tags:

1.25W LED Lighting Drivers

      

3mA LED Lighting Drivers

      

MP4026GJ-Z Off Line LED Driver

      
Wholesale MP4026GJ-Z 1.25W 3mA LED Lighting Drivers Monolithic Power Systems from china suppliers

MP4026GJ-Z 1.25W 3mA LED Lighting Drivers Monolithic Power Systems Images

Inquiry Cart 0
Send your message to this supplier
 
*From:
*To: Shenzhen Hongxinwei Technology Co., Ltd
*Subject:
*Message:
Characters Remaining: (0/3000)
 
Inquiry Cart 0